
新闻资讯
—
PILZ PNOZ X2.8P安全继电器配置接线全指南
2025-08-06
上海贝诺泰将详细解析其核心参数与四类典型接线方式,助你快速掌握配置要点。
一、核心参数与安全规范
符合标准:EN 60947-5-1、EN 60204-1、VDE 0113-1,确保工业安全应用合规性。
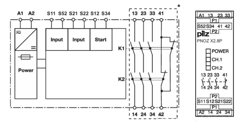
输出触点:3组安全常开触点([13-14]、[23-24]、[33-34]),1 组辅助常闭触点([41-42],非安全电路专用,可用于信号反馈)。
LED 指示:“POWER” 灯亮:电源电压正常;
“CH1”“CH2” 灯亮:输入电路闭合(无急停 / 触发信号),安全触点闭合;
“CH1”“CH2” 灯灭:输入电路断开(急停触发),安全触点冗余断开,辅助触点闭合。
基础性能
重要安全提示:使用前必须按机械指令完成设备整体安全评估,安全继电器仅保证自身功能安全,不代表整个设备安全。
每个安全继电器仅限接入一个安全功能,禁止串联多设备使用。
可通过触点扩展模块(如 PZE X4P)或外部接触器增加触点数量。
模块框图

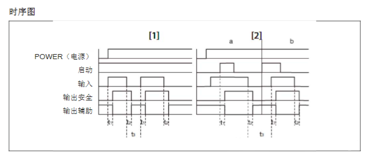
时序图

二、四类典型场景接线教程
场景 1:双通道无触点间短路检测(急停按钮)
适用场景:普通急停按钮控制,无需触点间短路检测功能。
接线步骤:
1.电源回路:A1 接电源正极(如 24V+),A2 接电源负极(24V-)。
2.输入回路:S11 接双通道急停按钮两组触点的公共端;
急停按钮两组触点的另一端分别接 S12 和 S52。
3.启动回路:S12 与 S34 之间串联一个常开启动按钮(手动复位)。
4.功能设置:S21 与 S22 短接(关闭触点间短路检测);
S12 与 S52 短接(选择输入通道模式)。

场景 2:双通道带触点间短路检测(急停按钮)
适用场景:高安全性急停控制,需检测触点粘连或短路故障。
接线步骤:
1.电源回路:A1 接 24V+,A2 接 24V-。
2.输入回路:急停按钮组触点两端接 S11 和 S12;
急停按钮第二组触点两端接 S21 和 S22。
3.启动回路:S12 与 S34 串联常开启动按钮(手动复位)。
4.功能设置:S21 与 S22 短接(关闭触点间短路检测);
S12 与 S52 短接(选择输入通道模式)。
5.反馈与输出:输出触点 [13/23/33] 接 24V+,[14/24/34] 接接触器线圈,线圈另一端接 24V-;接触器常闭触点串联至启动回路(形成反馈保护)。

场景 3:双通道带触点间短路检测(急停按钮)
适用场景:高安全性急停控制,需检测触点粘连或短路故障。
接线步骤:
1.电源回路:A1 接 24V+,A2 接 24V-。
2.输入回路:光栅 OSSD1 信号接 S12;
光栅 OSSD2 信号接 S52(仅支持 PNP 型光栅)。
3.启动回路:S12 与 S34 直接短接(自动启动模式,光栅复位后无需手动按启动按钮)。
4.功能设置:S21 与 S22 短接(光栅无需触点间短路检测)。

场景 4:单通道接线(简化急停控制)
适用场景:低风险场景的单通道急停按钮控制(无触点间短路检测功能)。
接线步骤:
1.电源回路:A1 接 24V+,A2 接 24V-。
2.输入回路:单通道急停按钮触点两端分别接 S11 和 S12。
3.启动回路:S12 与 S34 短接(自动启动)。
4.功能设置:S12 与 S52 短接(输入通道选择);
S21 与 S22 短接(关闭短路检测,单通道模式默认无此功能)。

三、故障诊断小技巧
掌握以下接线方法,即可轻松应对 PILZ PNOZ X2.8P(777301)在多数工业安全场景的配置需求。
接地故障:安全触点异常打开,修复故障后关闭电源 1 分钟,重启即可恢复。
触点粘连:输入电路打开后无法重新激活,需检查触点状态并更换故障部件。
POWER 灯不亮:检查电源电压或线路短路;POWER 灯闪烁:供电电压不稳定,需排查电源模块。

四、上海贝诺泰技术支持
作为皮尔磁产品专业合作伙伴,上海贝诺泰深耕工业安全领域,可为 PNOZ X2.8P(777301)等型号提供从选型适配、接线指导到售后保障的全流程服务。无论是急停控制、光栅防护还是定制化安全方案,我们的技术团队均能结合实际场景提供专业支持,让工业安全控制更简单可靠。如有配置疑问或产品需求,欢迎随时咨询。
下一页:
2026
/
04-09
所属分类:
新闻资讯
相关资讯








